ΦΥΣΙΚΗ Β ΛΥΚΕΙΟΥ ΔΥΝΑΜΕΙΣ ΜΕΤΑΞΥ ΗΛΕΚΤΡΙΚΩΝ ΦΟΡΤΙΩΝ
Ο Νόμος του Κουλόμπ που διατυπώθηκε από τον Γάλλο φυσικό Σαρλ Ογκυστέν ντε Κουλόμπ,εκ του οποίου έλαβε και το όνομα,αναφέρεται στον ηλεκτρισμό,και είναι αυτός που παρέχει το μέτρο της ασκούμενης κάθε φορά δύναμης μεταξύ δύο ποσοτήτων ηλεκτρισμού.
Ο Κουλόμπ κατάφερε να μετρήσει τις δυνάμεις που αναπτύσσονται μεταξύ ηλεκτρικών φορτίων.Τα συμπεράσματα διατύπωσε με τον παρακάτω νόμο που φέρει το όνομά του.
Μεταξύ των ηλεκτρικών φορτίων ασκούνται ηλεκτρικές δυνάμεις.Η ηλεκτρική δύναμη που ασκείται μεταξύ των δυο φορτίων είναι ανάλογη προς το γινόμενο των φορτίων και αντιστρόφως ανάλογη προς το τετράγωνο της απόστασης τους.
Η σχέση αυτή ανακαλύφθηκε από τον Coulomb τον 19ο αιώνα και ονομάστηκε νόμος του Coulomb.
όπου:
F το μέτρο της ηλεκτρικής δύναμης με την οποία αλληλεπιδρούν δύο σημειακά φορτία (q1,q2)
q1 η ποσότητα ενός φορτίου,
q2 η ποσότητα του άλλου φορτίου
Τα ηλεκτρικά φορτία q1 και q2 θεωρούνται σημειακά,δηλαδή οι ακτίνες των σφαιρών πάνω στις οποίες είναι συγκεντρωμένα είναι αμελητέες συγκρινόμενες με την απόσταση των κέντρων των σφαιρών
r η μεταξύ τους απόσταση.
ΣΤΑΘΕΡΑ ΑΝΑΛΟΓΙΑ K
To K είναι μια σταθερά αναλογίας και η τιμή της εξαρτάται από το υλικό μέσο μέσα στο οποίο βρίσκονται τα δύο φορτισμένα σώματα,καθώς και από το σύστημα μονάδων που χρησιμοποιούμε.
Όταν τα δύο σώματα βρίσκονται στο κενό (ή στον αέρα) η τιμή της σταθεράς Κ στο Διεθνές Σύστημα Μονάδων είναι ίση με:
k=9·109 N·m2/c2
1 C
ΜΕΛΕΤΗ ΤΟΥ ΝΟΜΟΥ ΤΟΥ COULOMB
Η δύναμη εφαρμόζεται κατά την ευθεία γραμμή που ενώνει τα δύο φορτία και είναι απωστική μεταξύ των ομωνύμων φορτίων και ελκτική μεταξύ των ετερωνύμων φορτίων.
Τα δύο μεταλλικά φύλλα ονομάζονται οπλισμοί του πυκνωτή.
Αν μεταξύ των οπλισμών του πυκνωτή υπάρχει κάποιο μονωτικό υλικό (διηλεκτρικό) η χωρητικότητά του δίνεται από τη σχέση:
Πως ο πυκνωτής απέκτησε αυτή την ενέργεια;
ΙΣΤΟΡΙΑ ΤΗΣ ΗΛΕΚΤΡΙΚΗΣ ΔΥΝΑΜΗΣ
Πρώτος που μετέφερε με επιτυχία ηλεκτρική ενέργεια είναι ο Γκρέι (1670-1736) και συνέχισε την εργασία του ο Ντι Φε (1689 -1739) που ανακάλυψε την ιδιότητα της ηλεκτρίσεως όλων των σωμάτων.
Αυτός χρησιμοποίησε τους όρους υαλώδης και ρητινώδης ηλεκτρισμός που μετονομάστηκαν από το Βενιαμίν Φραγκλίνο σε θετικός και αρνητικός ηλεκτρισμός αντίστοιχα.
Χάρη στον Πίτερ Βαν Μούσενμπρουκ το 1746 έγινε δυνατή η μελέτη των ηλεκτρικών σπινθήρων στην πόλη Λούγδουνο (Λέιντεν) της Ολλανδίας.Ακολούθησε η ανακάλυψη από το Φραγκλίνο (1706-1790) της δύναμης της ακίδων και του αλεξικέραυνου. Το 1754 ο Κάντον πραγματοποίησε την ηλέκτριση από επίδραση.
Οι ανακαλύψεις από δω και πέρα διαδέχτηκαν η μια την άλλη.Στον τομέα της ηλεκτροστατικής ο Κουλόμπ μέτρησε τις ηλεκτρικές έλξεις και απώσεις και απέδειξε ότι οι δράσεις αυτές είναι αντίστροφα ανάλογες με το τετράγωνο της αποστάσεως.
Το συμπεράσματα του Κουλόμπ περιλαμβάνονται στη θεωρία των επιδράσεων του Φαραντέι.
Στην ηλεκτροκινητική ο Βόλτ ανακάλυψε το ομώνυμο στοιχείο,ο Τενάρ προκάλεσε το κοκκίνισμα μεταλλικού σύρματος,ο Ζέεμπεκ το 1821 κατασκεύασε το πρώτο θερμοηλεκτρικό στοιχείο και το 1830 ο Μιλόνι χρησιμοποίησε θερμοηλεκτρικά στοιχεία για να μελετήσει την ακτινοβόλα θερμότητα.
Ο Γκεόργκ Ωμ μελέτησε την αντίσταση, ο Τζάουλ μελέτησε τα θερμικά φαινόμενα του ηλεκτρικού ρεύματος κι ο Γκρότα μας έδωσε μια ερμηνεία της ηλεκτρολύσεως.
Οι αρχαίοι Έλληνες είναι οι πρώτοι που γνώρισαν την ιδιότητα του ηλεκτρισμού να έλκει διάφορα αντικείμενα.
Πρώτος ο Θαλής ο Μιλήσιος, τον 7ο π.Χ.,παρατήρησε πως τρίβοντας το ήλεκτρο (κεχριμπάρι) πάνω σε μάλλινο ύφασμα,αποκτούσε αυτό την ιδιότητα να έλκει διάφορα ελαφρά σώματα,όπως μικρά κομματάκια χαρτιού,λεπτά φύλλα χρυσού κ.λπ.Γι' αυτό το φαινόμενο ονομάστηκε ηλεκτρισμός.
Πρώτος ο Θαλής ο Μιλήσιος, τον 7ο π.Χ.,παρατήρησε πως τρίβοντας το ήλεκτρο (κεχριμπάρι) πάνω σε μάλλινο ύφασμα,αποκτούσε αυτό την ιδιότητα να έλκει διάφορα ελαφρά σώματα,όπως μικρά κομματάκια χαρτιού,λεπτά φύλλα χρυσού κ.λπ.Γι' αυτό το φαινόμενο ονομάστηκε ηλεκτρισμός.
![]() |
| Το ήλεκτρο (κεχριμπάρι) |
Παράλληλα παρατηρήθηκε η ιδιότητα που έχουν κάποια πετρώματα,να έλκουν τα σιδερένια αντικείμενα.
Το φαινόμενο αυτό αντίστοιχα,ονομάστηκε Μαγνητισμός.
Μαγνήτης ονομάζεται οποιοδήποτε τεμάχιο υλικού ή σώμα, συνήθως μεταλλικό,που δημιουργεί μαγνητικό πεδίο στον περιβάλλοντα χώρο.
Στην πράξη,το μαγνητικό πεδίο εντοπίζεται από την αλληλεπίδραση του μαγνήτη με άλλα σώματα,όπως τη δυνατότητα να έλκει μικρά τεμάχια σιδήρου ή να προσανατολίζεται παράλληλα με τις δυναμικές γραμμές του γήινου μαγνητικού πεδίου.
Η εποχή του Μεσαίωνα δεν πρόσφερε τίποτε στον τομέα αυτό της Φυσικής.Την παρατήρηση του Θαλή, επανέλαβε ο γιατρός της βασίλισσας της Αγγλίας Γκίλμπερτ (1544-1603) και με άλλα σώματα, όπως το γυαλί,τη ρητίνη,το θείο,τα οποία ονόμασε ιδιοηλεκτρικά και τ' άλλα σώματα,όπως τα μέταλλα, που ονόμασε ανηλεκτρικά.Τα πρώτα είναι τα λεγόμενα μονωτικά ή κακοί αγωγοί του ηλεκτρισμού και τα δεύτερα είναι οι καλοί αγωγοί του ηλεκτρισμού.
Το φαινόμενο αυτό αντίστοιχα,ονομάστηκε Μαγνητισμός.
![]() |
| Στην Αρχαία Ελλάδα γνώριζαν την ιδιότητα του ηλεκτρισμού |
![]() |
| Μαγνήτης ονομάζεται οποιοδήποτε τεμάχιο υλικού ή σώμα, συνήθως μεταλλικό, που δημιουργεί μαγνητικό πεδίο στον περιβάλλοντα χώρο |
Η εποχή του Μεσαίωνα δεν πρόσφερε τίποτε στον τομέα αυτό της Φυσικής.Την παρατήρηση του Θαλή, επανέλαβε ο γιατρός της βασίλισσας της Αγγλίας Γκίλμπερτ (1544-1603) και με άλλα σώματα, όπως το γυαλί,τη ρητίνη,το θείο,τα οποία ονόμασε ιδιοηλεκτρικά και τ' άλλα σώματα,όπως τα μέταλλα, που ονόμασε ανηλεκτρικά.Τα πρώτα είναι τα λεγόμενα μονωτικά ή κακοί αγωγοί του ηλεκτρισμού και τα δεύτερα είναι οι καλοί αγωγοί του ηλεκτρισμού.
Την πρώτη ηλεκτρική μηχανή την κατασκεύασε ο Ότο φον Γκέρικε (1602-1688),δήμαρχος του Μαγδεβούργου.Αυτός έκανε μια σφαίρα από θειάφι που περιστρεφόταν, πάνω στην οποία έβαζε ένα άτομο τα χέρια του για την ανάλογη τριβή.Με την τριβή αυτή παραγόταν ηλεκτρικός σπινθήρας.
![]() |
| Η πρώτη ηλεκτρική μηχανή που κατασκεύασε ο Ότο φον Γκέρικε |
Αυτός χρησιμοποίησε τους όρους υαλώδης και ρητινώδης ηλεκτρισμός που μετονομάστηκαν από το Βενιαμίν Φραγκλίνο σε θετικός και αρνητικός ηλεκτρισμός αντίστοιχα.
![]() |
| Ο Σαρλ Ογκυστέν ντε Κουλόμπ γεννήθηκε στις 14 Ιουνίου του 1736στην Ανγκουλέμ της Γαλλίας και πέθανε στις 23 Αυγούστου του 1806 στο Παρίσι. |
![]() |
| Στον τομέα της ηλεκτροστατικής ο Κουλόμπ μέτρησε τις ηλεκτρικές έλξεις και απώσεις και απέδειξε ότι οι δράσεις αυτές είναι αντίστροφα ανάλογες με το τετράγωνο της αποστάσεως |
Το συμπεράσματα του Κουλόμπ περιλαμβάνονται στη θεωρία των επιδράσεων του Φαραντέι.
Στην ηλεκτροκινητική ο Βόλτ ανακάλυψε το ομώνυμο στοιχείο,ο Τενάρ προκάλεσε το κοκκίνισμα μεταλλικού σύρματος,ο Ζέεμπεκ το 1821 κατασκεύασε το πρώτο θερμοηλεκτρικό στοιχείο και το 1830 ο Μιλόνι χρησιμοποίησε θερμοηλεκτρικά στοιχεία για να μελετήσει την ακτινοβόλα θερμότητα.
![]() |
| Ο Γερμανός φυσικός Γκέοργκ Σίμον Ωμ (1987 -1854) που διατύπωσε τον Νόμο του Ωμ που συνδέει την τάση και την ένταση του ρεύματος που διαρρέει έναν αγωγό |
Επανάσταση στον ηλεκτρισμό έφερε ο Έντισον με το λαμπτήρα πυρακτώσεως, για να συνεχιστεί με τις ανακαλύψεις της χρησιμοποιήσεως του βολφραμίου και ατμών υδραργύρου και αργότερα του φθορισμού.
![]() |
| Ο Δανός φυσικός Χανς Κρίστιαν Έρστεντ (1777-1851) προσπάθησε ν' αποδείξει και να συσχετίσει τα μαγνητικά και ηλεκτρικά φαινόμενα. |
Πολλοί ερευνητές του 18ου αι. προσπάθησαν ν' αποδείξουν και να συσχετίσουν τα μαγνητικά και ηλεκτρικά φαινόμενα.Αυτό κατόρθωσε ο Έρστεντ (1777-1851) που απέδειξε ότι το ηλεκτρικό ρεύμα αποκλίνει τη μαγνητική βελόνα και συνέχισαν ο Αμπέρ και ο Ζήμενς κατασκευάζοντας ηλεκτρομαγνήτες.Τις γνώσεις αυτές τις χρησιμοποίησε και ανακάλυψε τον τηλέγραφο ο Μορς.
Ο Μάικλ Φαραντέι έδειξε τη μετατροπή της μηχανικής ενέργειας σε ηλεκτρική.Αργότερα,το 1860,παρουσιάστηκαν οι βιομηχανικές γεννήτριες το 1864 άρχισε η χρησιμοποίηση του λευκού άνθρακα (νερό) για την παραγωγή ηλεκτρικής ενέργειας και το 1875 εφευρέθηκε το τηλέφωνο.Ακολούθησαν οι ανακαλύψεις των ακτίνων Χ (Ραίντγκεν) της ραδιενέργειας του ασύρματου τηλεφώνου,της ραδιοφωνίας, της ραδιοτηλεφωνίας,και της τηλεοράσεως.
Ο Μάικλ Φαραντέι έδειξε τη μετατροπή της μηχανικής ενέργειας σε ηλεκτρική.Αργότερα,το 1860,παρουσιάστηκαν οι βιομηχανικές γεννήτριες το 1864 άρχισε η χρησιμοποίηση του λευκού άνθρακα (νερό) για την παραγωγή ηλεκτρικής ενέργειας και το 1875 εφευρέθηκε το τηλέφωνο.Ακολούθησαν οι ανακαλύψεις των ακτίνων Χ (Ραίντγκεν) της ραδιενέργειας του ασύρματου τηλεφώνου,της ραδιοφωνίας, της ραδιοτηλεφωνίας,και της τηλεοράσεως.
![]() |
| Ο Τζέιμς Κλερκ Μάξγουελ (James Clerk Maxwell) ήταν Σκωτσέζος φυσικός.Γεννήθηκε στο Εδιμβούργο στις 13 Ιουνίου 1831 και πέθανε στο Καίμπριτζ στις 5 Νοεμβρίου 1879 |
Ο J.C. Maxwell μετά από μελέτες έφτασε στο συμπέρασμα ότι και το φως είναι ένα ηλεκτρομαγνητικό κύμα.Ο Maxwell με τέσσερις εξισώσεις του (1864),ολοκλήρωσε τη θεωρία του ηλεκτρομαγνητισμού.
Η ενοποίηση ηλεκτρισμού-μαγνητισμού (θεωρία ηλεκτρομαγνητισμού) αποτέλεσε ένα από τα μεγαλύτερα επιτεύγματα της ανθρώπινης διανόησης.
![]() |
| Η ενοποίηση ηλεκτρισμού-μαγνητισμού |
![]() |
| Ο Γάλλος φυσικός Σαρλ Ογκυστέν ντε Κουλόμπ (1736 – 1806) έθεσε τις πειραματικές βάσεις του μαγνητισμού και του ηλεκτρισμού |
ΝΟΜΟΣ ΤΟΥ ΚΟΥΛΟΜΠ
![]() |
| ΝΟΜΟΣ ΤΟΥ ΚΟΥΛΟΜΠ |
ΕΙΣΑΓΩΓΗ
Ο Κουλόμπ κατάφερε να μετρήσει τις δυνάμεις που αναπτύσσονται μεταξύ ηλεκτρικών φορτίων.Τα συμπεράσματα διατύπωσε με τον παρακάτω νόμο που φέρει το όνομά του.
«Κάθε σημειακό ηλεκτρικό φορτίο ασκεί δύναμη σε κάθε άλλο σημειακό ηλεκτρικό φορτίο.Το μέτρο της δύναμης είναι ανάλογο του γινομένου των φορτίων που αλληλεπιδρούν και αντίστροφα ανάλογο με το τετράγωνο της μεταξύ τους απόστασης.»
Θεωρούμε δύο μικρές σφαίρες,φορτισμένες με φορτία q1 η μία και q2 η άλλη,σε απόσταση r όπως φαίνεται στο παρακάτω σχήμα.Οι σφαίρες θα έλκονται ή θα απωθούνται,ανάλογα με το είδος των φορτίων τους.
Η δύναμη F που ενεργεί σε κάθε σφαίρα,όπως αποδεικνύεται πειραματικά,εξαρτάται από την ποσότητα των φορτίων q1 και q2,την απόσταση r,και από το υλικό που υπάρχει ανάμεσα στα φορτία
Η δύναμη F που ενεργεί σε κάθε σφαίρα,όπως αποδεικνύεται πειραματικά,εξαρτάται από την ποσότητα των φορτίων q1 και q2,την απόσταση r,και από το υλικό που υπάρχει ανάμεσα στα φορτία
![]() |
| Η ηλεκτρική δύναμη που ασκείται μεταξύ των δυο φορτίων είναι ανάλογη προς το γινόμενο των φορτίων και αντιστρόφως ανάλογη προς το τετράγωνο της απόστασης τους |
Η σχέση αυτή ανακαλύφθηκε από τον Coulomb τον 19ο αιώνα και ονομάστηκε νόμος του Coulomb.
ΟΡΙΣΜΟΣ ΤΟΥ ΝΟΜΟΥ ΤΟΥ COULOMB
Το μέτρο της ηλεκτρικής δύναμης F με την οποία αλληλεπιδρούν δύο σημειακά φορτία (q1,q2) είναι ανάλογο του γινομένου των φορτίων και αντιστρόφως ανάλογο του τετραγώνου της μεταξύ τους απόστασης r.
F=k·|q1·q2|/r2
Το μέτρο της ηλεκτρικής δύναμης F με την οποία αλληλεπιδρούν δύο σημειακά φορτία (q1,q2) είναι ανάλογο του γινομένου των φορτίων και αντιστρόφως ανάλογο του τετραγώνου της μεταξύ τους απόστασης r.
F=k·|q1·q2|/r2
όπου:
F το μέτρο της ηλεκτρικής δύναμης με την οποία αλληλεπιδρούν δύο σημειακά φορτία (q1,q2)
q1 η ποσότητα ενός φορτίου,
q2 η ποσότητα του άλλου φορτίου
![]() |
| Το μέτρο της ηλεκτρικής δύναμης F με την οποία αλληλεπιδρούν δύο σημειακά φορτία (q1,q2) είναι ανάλογο του γινομένου των φορτίων και αντιστρόφως ανάλογο του τετραγώνου της μεταξύ τους απόστασης r |
r η μεταξύ τους απόσταση.
ΣΤΑΘΕΡΑ ΑΝΑΛΟΓΙΑ K
To K είναι μια σταθερά αναλογίας και η τιμή της εξαρτάται από το υλικό μέσο μέσα στο οποίο βρίσκονται τα δύο φορτισμένα σώματα,καθώς και από το σύστημα μονάδων που χρησιμοποιούμε.
k=9·109 N·m2/c2
Όταν τα ηλεκτρικά φορτία που αλληλεπιδρούν βρίσκονται στο κενό και κατά προσέγγιση στον αέρα,η σταθερά k δίνεται από τη σχέση:
k=1/4π·ε0
όπου:
εo μία φυσική σταθερά που ονομάζεται απόλυτη διηλεκτρική σταθερά του κενού και έχει τιμή στο S.I.:
εo μία φυσική σταθερά που ονομάζεται απόλυτη διηλεκτρική σταθερά του κενού και έχει τιμή στο S.I.:
ε0=8,85·10-12 C2/N·m2
Επομένως η σταθερά k έχει τιμή στο S.I. κατά προσέγγιση
k=9·109 N·m2/C2
Η τιμή σταθερά αναλογίας K εξαρτάται από το υλικό μέσο μέσα στο οποίο βρίσκονται τα δύο φορτισμένα σώματα,καθώς και από το σύστημα μονάδων που χρησιμοποιούμε.
Η τιμή σταθερά αναλογίας K εξαρτάται από το υλικό μέσο μέσα στο οποίο βρίσκονται τα δύο φορτισμένα σώματα,καθώς και από το σύστημα μονάδων που χρησιμοποιούμε.
Διεύθυνση: Η διεύθυνση της ευθείας που ενώνει τα δύο σημειακά φορτία,που είναι και φορέας της.
Φορά: Καθορίζεται από το είδος των φορτίων.Αν τα φορτία είναι ομώνυμα η δύναμη είναι απωστική, ενώ αν τα φορτία είναι ετερώνυμα η δύναμη είναι ελκτική.
μέτρο:
F=k·|q1·q2|/r2
Σημείο εφαρμογής: Τα σημειακά φορτία q1 και q2.
μέτρο:
F=k·|q1·q2|/r2
Σημείο εφαρμογής: Τα σημειακά φορτία q1 και q2.
Η μονάδα μέτρησης του ηλεκτρικού φορτίου στο S.I. είναι το 1 Coulomb:
Η δύναμη εφαρμόζεται κατά την ευθεία γραμμή που ενώνει τα δύο φορτία και είναι απωστική μεταξύ των ομωνύμων φορτίων και ελκτική μεταξύ των ετερωνύμων φορτίων.
![]() |
| Η δύναμη εφαρμόζεται κατά την ευθεία γραμμή που ενώνει τα δύο φορτία και είναι απωστική μεταξύ των ομωνύμων φορτίων και ελκτική μεταξύ των ετερωνύμων φορτίων |
Ο νόμος του Coulomb ακολουθεί τον νόμο του αντιστρόφου τετραγώνου,όπως και ο νόμος της παγκόσμιας έλξης δηλαδή
F=σταθ./r2
Για να αποδείξει ο Σαρλ Ογκυστέν ντε Κουλόμπ το 1785 το νόμο του αντιστρόφου τετραγώνου χρησιμοποίησε τον ομώνυμο «ζυγό στρέψης του Coulomb»,επιβεβαίωσε το νόμο του αντιστρόφου τετραγώνου.
![]() |
| O νόμο του αντιστρόφου τετραγώνου στο νόμο του Coulomb |
Σύμφωνα με το νόμο δράσης–αντίδρασης του Νεύτωνα,οι δύο δυνάμεις που αναπτύσσονται μεταξύ των φορτίων έχουν πάντα ίσα μέτρα και αντίθετη φορά,ανεξάρτητα από την τιμή που έχουν τα φορτία.
![]() |
| Ο ζυγός στρέψης του Coulomb |
Η δύναμη εφαρμόζεται κατά την ευθεία γραμμή που ενώνει τα δύο φορτία και είναι απωστική μεταξύ των ομωνύμων φορτίων και ελκτική μεταξύ των ετερωνύμων φορτίων.
![]() |
| Η ηλεκτρική δύναμη που ασκείται ανάμεσα σε δύο σημειακά φορτία του 1 C που βρίσκονται σε απόσταση 1 m είναι ίση με 9 δισεκατομμύρια Ν |
Σύμφωνα με τον νόμο του Κουλόμπ η ηλεκτρική δύναμη που ασκείται ανάμεσα σε δύο σημειακά φορτία του 1 C που βρίσκονται σε απόσταση 1 m είναι ίση με 9 δισεκατομμύρια Ν.
Αυτή η δύναμη είναι πολύ μεγάλη και έτσι το C είναι πολύ μεγάλη μονάδα φορτίου.Όμως τέτοια συνολικά φορτία δεν εμφανίζονται στα φαινόμενα της καθημερινότητας.
![]() |
| Στον μικρόκοσμο,δηλαδή στον κόσμο των ατόμων και των μορίων κυριαρχούν οι ηλεκτρικές δυνάμεις |
Οι ηλεκτρικές δυνάμεις παίζουν σημαντικό ρόλο στο σχηματισμό των ατόμων,των μορίων από τα άτομα,των κρυστάλλων και επομένως στις χημικές αντιδράσεις.
| Αντίθετα από το μικρόκοσμο,στο μακρόκοσμο δηλαδή στον κόσμο των πλανητών,των δορυφόρων τους,των αστέρων και των γαλαξιών κυριαρχούν οι βαρυτικές δυνάμεις |
Τα ουράνια σώματα όμως έχουν ολικό φορτίο ίσο με το μηδέν.Έτσι οι ηλεκτρικές δυνάμεις είναι ασήμαντες στο μακρόκοσμο.Οι κινήσεις των ουράνιων σωμάτων προσδιορίζονται μόνο από τις βαρυτικές δυνάμεις.
ΗΛΕΚΤΡΙΚΟ ΠΕΔΙΟ
Αν στην ίδια θέση Α που ήταν το q τοποθετήσουμε ένα άλλο δοκιμαστικό φορτίο q′=2·q,η δύναμη που δέχεται είναι:
Επομένως για να εκφράσουμε την ηλεκτρική επίδραση ενός φορτίου Q στα διάφορα δοκιμαστικά φορτία που τοποθετούνται σε συγκεκριμένη θέση γύρω από το Q,είναι περισσότερο χρήσιμο να την εκφράσουμε μέσω ενός νέου φυσικού μεγέθους που είναι ίσο με το πηλίκο F/q ονομάζεται ένταση και ορίζεται ως εξής:
Ένταση σε σημείο ηλεκτρικού πεδίου ονομάζεται το φυσικό διανυσματικό μέγεθος που έχει μέτρο ίσο με το πηλίκο του μέτρου της δύναμης που ασκείται σε φορτίο q που βρίσκεται σ' αυτό το σημείο προς το φορτίο αυτό και κατεύθυνση την κατεύθυνση της δύναμης,αν αυτή ασκείται σε θετικό φορτίο.
Δηλαδή το μέτρο της έντασης σε κάποιο σημείου του πεδίου,μας δείχνει πόσο ισχυρό είναι το πεδίο στο σημείο αυτό.
Το δοκιμαστικό φορτίο q δέχεται δύναμη Coulomb λόγω του φορτίου Q,η οποία σύμφωνα με τη σχέση FC=k·|q1·q2|/r2 είναι:
Άρα λόγω του μέτρου της έντασης του ηλεκτρικού πεδίου E=F/q έχουμε:
Ένα τέτοιο πεδίο μπορούμε να το πραγματοποιήσουμε με δυο παράλληλες μεταλλικές πλάκες,που βρίσκονται σε μικρή απόσταση μεταξύ τους.
Αν φορτίσουμε τις πλάκες με αντίθετα φορτία,τότε ανάμεσα στις δυο πλάκες δημιουργείται ομογενές ηλεκτρικό πεδίο.Το σύστημα αυτό ονομάζεται επίπεδος πυκνωτής.
ΕΙΣΑΓΩΓΗ
Μέχρι στιγμής έχουμε ασχοληθεί με την ηλεκτρική δύναμη που δρα από απόσταση χωρίς να μεσολαβεί κάποιο υλικό μέσο μεταξύ των φορτισμένων σωμάτων.
Ο Μάικλ Φαραντέι (1791–1867) ήταν ένας Άγγλος επιστήμονας με σημαντική συμβολή στην εξέλιξη του ηλεκτρομαγνητισμού και της ηλεκτροχημείας.
![]() |
| Ο Μάικλ Φαραντέι (1791–1867) ήταν ένας Άγγλος επιστήμονας με συμβολή στην εξέλιξη του ηλεκτρομαγνητισμού και θεωρείται ένας από τους κορυφαίους πειραματικούς επιστήμονες |
![]() |
| Το εργαστήριο του Μάικλ Φαραντέι |
Ο Φαραντέι κατέχει ξεχωριστή θέση όσον αφορά το πειραματικό κομμάτι των φυσικών επιστημών,καθώς ήταν ιδιαίτερα παραγωγικός όσον αφορά στην επινόηση,το σχεδιασμό και την υλοποίηση ενός μεγάλου πλήθους πειραμάτων.Ήταν ο πρώτος που επινόησε την έννοια του πεδίου δυνάμεων.
Πεδίο ονομάζεται μια περιοχή του χώρου που μπορεί να ασκεί δύναμη.
Αν είναι δύναμη βαρύτητας μιλάμε για βαρυτικό πεδίο,αν είναι ηλεκτρική για ηλεκτρικό πεδίο,αν είναι μαγνητική για μαγνητικό πεδίο.Για να γίνει ένας χώρος ηλεκτρικό πεδίο πρέπει να υπάρχει σε αυτόν ένα τουλάχιστον φορτίο.
ΟΡΙΣΜΟΣ ΗΛΕΚΤΡΙΚΟΥ ΠΕΔΙΟΥ
| Πεδίο ονομάζεται μια περιοχή του χώρου που μπορεί να ασκεί δύναμη |
Αν είναι δύναμη βαρύτητας μιλάμε για βαρυτικό πεδίο,αν είναι ηλεκτρική για ηλεκτρικό πεδίο,αν είναι μαγνητική για μαγνητικό πεδίο.Για να γίνει ένας χώρος ηλεκτρικό πεδίο πρέπει να υπάρχει σε αυτόν ένα τουλάχιστον φορτίο.
ΟΡΙΣΜΟΣ ΗΛΕΚΤΡΙΚΟΥ ΠΕΔΙΟΥ
Θεωρούμε τώρα μία σφαίρα με ένα σταθερό φορτίο Q.Αν σε ένα σημείο του χώρου γύρω από το φορτίο Q τοποθετήσουμε ένα άλλο φορτίο q,θα ασκηθεί πάνω του μία ηλεκτρική δύναμη που θα δίνεται από τον νόμο του Κουλόμπ.
Στο χώρο γύρω από το φορτισμένο σώμα ασκούνται ηλεκτρικές δυνάμεις.Τον χώρο αυτό τον ονομάζουμε ηλεκτρικό πεδίο.
Η θεωρία του ηλεκτρικού πεδίου είναι ένα τρόπος να περιγράψουμε τον μηχανισμό με τον οποίο μεταφέρονται οι ηλεκτρικές δυνάμεις μεταξύ των φορτίων.
Ηλεκτρικό πεδίο ονομάζεται ο χώρος που έχει την ιδιότητα να ασκεί ηλεκτρικές δυνάμεις σε κάθε φορτισμένο σώμα που θα βρεθεί μέσα σε αυτό.
Γύρω από τους πυρήνες των ατόμων υπάρχει ηλεκτρικό πεδίο όμοιο με το πεδίο που σχηματίζεται γύρω από μια φορτισμένη σφαίρα.Μέσα στο πεδίο αυτό κινούνται τα ηλεκτρόνια των ατόμων.
![]() |
| Μία φορτισμένη σφαίρα με φορτίο Q.Αν σε ένα σημείο του χώρου γύρω από το φορτίο Q τοποθετήσουμε ένα άλλο φορτίο q,θα ασκηθεί πάνω του μία ηλεκτρική δύναμη |
Η θεωρία του ηλεκτρικού πεδίου είναι ένα τρόπος να περιγράψουμε τον μηχανισμό με τον οποίο μεταφέρονται οι ηλεκτρικές δυνάμεις μεταξύ των φορτίων.
![]() |
| Στο χώρο γύρω από το ένα φορτισμένο σώμα ασκούνται ηλεκτρικές δυνάμεις |
| Ηλεκτρικό πεδίο ονομάζεται ο χώρος που έχει την ιδιότητα να ασκεί ηλεκτρικές δυνάμεις σε κάθε φορτισμένο σώμα που θα βρεθεί μέσα σε αυτό |
Το φορτισμένο σώμα που δημιουργεί ένα ηλεκτρικό πεδίο ονομάζεται πηγή του πεδίου.
Αν σε ένα ηλεκτρικό πεδίο βρεθεί ένα άλλο φορτίο τότε ασκείται σε αυτό δύναμη.Το φορτίο που δέχεται την δύναμη το λέμε υπόθεμα.Με την εισαγωγή της έννοιας του ηλεκτρικού πεδίου η άσκηση της ηλεκτρικής δύναμης περιγράφεται ως διαδικασία δύο βημάτων.
α) Γύρω από κάθε φορτισμένο σώμα δημιουργείται ένα ηλεκτρικό πεδίο.
β) Τα φορτισμένα σώματα αλληλεπιδρούν μέσω των ηλεκτρικών πεδίων που δημιουργούν.
Αν σε ένα ηλεκτρικό πεδίο βρεθεί ένα άλλο φορτίο τότε ασκείται σε αυτό δύναμη.Το φορτίο που δέχεται την δύναμη το λέμε υπόθεμα.Με την εισαγωγή της έννοιας του ηλεκτρικού πεδίου η άσκηση της ηλεκτρικής δύναμης περιγράφεται ως διαδικασία δύο βημάτων.
![]() |
| Το φορτισμένο σώμα που δημιουργεί ένα ηλεκτρικό πεδίο ονομάζεται πηγή του πεδίου |
β) Τα φορτισμένα σώματα αλληλεπιδρούν μέσω των ηλεκτρικών πεδίων που δημιουργούν.
Για να αποδείξουμε πειραματικά την ύπαρξη του ηλεκτρικού πεδίου σε κάποιο σημείο,χρησιμοποιούμε ένα σημειακό ηλεκτρικό φορτίο που ονομάζουμε δοκιμαστικό φορτίο.Αν το δοκιμαστικό φορτίο δεχτεί ηλεκτρική δύναμη,υπάρχει ηλεκτρικό πεδίο στο σημείο εκείνο.
ΕΝΤΑΣΗ ΗΛΕΚΤΡΙΚΟΥ ΠΕΔΙΟΥ
Σε κάποιο σημείο του χώρου θεωρούμε ακίνητο σημειακό ηλεκτρικό φορτίο +Q.Το φορτίο +Q δημιουργεί σε κάθε σημείο του χώρου γύρω από αυτό,ηλεκτρικό πεδίο.
Το φορτίο +Q το ονομάζουμε πηγή του πεδίου.
Η δύναμη που ασκείται από το φορτίο πηγή Q,σε ένα δοκιμαστικό φορτίο q που βρίσκεται στη θέση (Α),είναι ανάλογη των φορτίων Q και q.Από το νόμο του Coulomb έχουμε:
Το φορτίο +Q το ονομάζουμε πηγή του πεδίου.
Η δύναμη που ασκείται από το φορτίο πηγή Q,σε ένα δοκιμαστικό φορτίο q που βρίσκεται στη θέση (Α),είναι ανάλογη των φορτίων Q και q.Από το νόμο του Coulomb έχουμε:
F1=k·|Q|/r2 · |q|
Αν στην ίδια θέση Α που ήταν το q τοποθετήσουμε ένα άλλο δοκιμαστικό φορτίο q′=2·q,η δύναμη που δέχεται είναι:
F2=k·|Q|/r2 · |q'|=k|Q|/r2 · 2|q|
Το συμπέρασμα είναι ότι η δύναμη που δέχεται το δοκιμαστικό φορτίο διπλασιάζεται όταν αυτό διπλασιασθεί.
| Η ένταση του πεδίου που δημιουργεί ένα θετικό σημειακό φορτίο Q,απομακρύνεται από το φορτίο |
| Η ένταση του πεδίου που δημιουργεί ένα αρνητικό σημειακό φορτίο Q,κατευθύνεται προς το φορτίο |
Αν το δοκιμαστικό φορτίο ήταν αρνητικό,η ένταση του πεδίου στη θέση Α δεν θα άλλαζε κατεύθυνση και μέτρο.
Όπως γίνεται αντιληπτό,η ένταση έχει φορά προς το φορτίο Q αν αυτό είναι αρνητικό και αντίθετη,αν το φορτίο είναι θετικό,ανεξάρτητα από το είδος του δοκιμαστικού φορτίου q.
| Tο μέτρο της έντασης σε κάποιο σημείου του πεδίου,μας δείχνει πόσο ισχυρό είναι το πεδίο στο σημείο αυτό |
ΜΟΝΑΔΑ ΜΕΤΡΗΣΗΣ ΤΗΣ ΕΝΤΑΣΗΣ ΤΟΥ ΗΛΕΚΤΡΙΚΟΥ ΠΕΔΙΟΥ
Μονάδα μέτρησης της έντασης στο S.I. είναι το ένα νιούτον ανά κουλόμπ 1 N/C.
Η μονάδα μέτρησης αυτή βρίσκεται από τον ορισμό της έντασης του ηλεκτρικού πεδίου.
ΗΛΕΚΤΡΟΣΤΑΤΙΚΟ ΠΕΔΙΟ COULOMB
Ηλεκτροστατικό πεδίο Coulomb ονομάζεται το πεδίο που δημιουργείται από ένα ακίνητο σημειακό φορτίο Q.
ΕΝΤΑΣΗ ΗΛΕΚΤΡΟΣΤΑΤΙΚΟ ΠΕΔΙΟ COULOMB
Όπως αναφέραμε από τον ορισμό της έντασης του ηλεκτρικού πεδίου,το μέτρο της είναι E=F/q.
Το δοκιμαστικό φορτίο q δέχεται δύναμη Coulomb λόγω του φορτίου Q F=k·|Q·q|/r2
|
Πρέπει να βρούμε μια σχέση η οποία ισχύει για το ηλεκτροστατικό πεδίο Coulomb.
| Το μέτρο της έντασης ηλεκτροστατικού πεδίου Coulomb ως συνάρτηση της απόστασης r από το φορτίο Q |
F=k·|Q·q|/r2
Άρα λόγω του μέτρου της έντασης του ηλεκτρικού πεδίου E=F/q έχουμε:
E=k·|Q·q|/r2/|q|
E=k·|Q|/r2
όπου:
Ε το μέτρο της έντασης του ηλεκτρικού πεδίου.
k η ηλεκτρική σταθερά.
|Q| η απόλυτη τιμή του φορτίου που δημιουργεί το πεδίο.
r η απόσταση μεταξύ του σημείου και του φορτίου Q.
Ε το μέτρο της έντασης του ηλεκτρικού πεδίου.
k η ηλεκτρική σταθερά.
|Q| η απόλυτη τιμή του φορτίου που δημιουργεί το πεδίο.
r η απόσταση μεταξύ του σημείου και του φορτίου Q.
ΔYNAMIKEΣ ΓΡΑΜΜΕΣ
Όπως είπαμε,ένα ακίνητο σημειακό φορτίο Q δημιουργεί γύρω του ηλεκτρικό πεδίο.Η ένταση του ηλεκτρικού πεδίου,διαφέρει από το ένα σημείο στο άλλο.
Επειδή με τις αισθήσεις μας δεν μπορούμε να αντιληφθούμε απ'ευθείας το ηλεκτρικό πεδίο,χρησιμοποιούμε τις δυναμικές γραμμές γι'αυτόν το σκοπό.Ο πρώτος που εισήγαγε την έννοια των δυναμικών γραμμών ήταν ο Μάικλ Φαραντέι (1791-1867).
Επειδή είναι αδύνατο να σχεδιάσουμε άπειρα διανύσματα έντασης,μπορούμε να χαράξουμε αντιπροσωπευτικά μερικές γραμμές.
Οι δυναμικές γραμμές είναι φανταστικές γραμμές που σχεδιάζουμε σε μία περιοχή το χώρου έτσι ώστε σε κάθε σημείο,το διάνυσμα του ηλεκτρικού πεδίου να εφάπτεται σε εκείνο ακριβώς το σημείο.
Δυναμικές γραμμές ονομάζονται οι γραμμές οι οποίες σχεδιάζονται με τέτοιο τρόπο,ώστε η ένταση του πεδίου να είναι εφαπτόμενη σε κάθε σημείο τους.
Οι ηλεκτρικές δυναμικές γραμμές δείχνουν την κατεύθυνση του σε κάθε σημείο.Απομακρύνονται από τα θετικά φορτία και καταλήγουν σε αρνητικά.
Σε κάθε σημείο,το ηλεκτρικό πεδίο έχει μία μόνο κατεύθυνση, οπότε από κάθε σημείο του χώρου περνάει μία μόνο δυναμική γραμμή.
![]() |
| Ένα ακίνητο σημειακό φορτίο Q δημιουργεί γύρω του ηλεκτρικό πεδίο |
| Οι δυναμικές γραμμές είναι φανταστικές γραμμές που σχεδιάζουμε σε μία περιοχή το χώρου έτσι ώστε σε κάθε σημείο, το διάνυσμα του ηλεκτρικού πεδίου να εφάπτεται σε εκείνο ακριβώς το σημείο |
Οι δυναμικές γραμμές είναι φανταστικές γραμμές που σχεδιάζουμε σε μία περιοχή το χώρου έτσι ώστε σε κάθε σημείο,το διάνυσμα του ηλεκτρικού πεδίου να εφάπτεται σε εκείνο ακριβώς το σημείο.
| Δυναμικές γραμμές ανάμεσα σε δυο ετερώνυμα και ομώνυμα φορτία |
Οι δυναμικές γραμμές ενός ηλεκτρικού πεδίου μπορούν να γίνουν ορατές,αν πραγματοποιήσουμε το εξής πείραμα.
| Σε μία λεκάνη με μονωτικό υγρό (π.χ. καστορέλαιο) ρίχνουμε σπόρους χλόης ή σουσάμι οι οποίοι επιπλέουν |
Σε μία λεκάνη με μονωτικό υγρό (π.χ. καστορέλαιο) ρίχνουμε σπόρους χλόης ή σουσάμι οι οποίοι επιπλέουν.Στη συνέχεια τοποθετούμε με κατάλληλο τρόπο ένα μικρό φορτισμένο σώμα σε ένα σημείο του υγρού και διαπιστώνουμε ότι οι σπόροι διατάσσονται.Αυτό το φαινόμενο ερμηνεύεται με την επαγωγική φόρτιση των σπόρων.
ΙΔΙΟΤΗΤΕΣ ΤΩΝ ΔΥΝΑΜΙΚΩΝ ΓΡΑΜΜΩΝ
Οι δυναμικές γραμμές έχουν τις παρακάτω ιδιότητες:
α) Οι δυναμικές γραμμές είναι ανοικτές,δηλαδή απομακρύνονται από τα θετικά φορτία και κατευθύνονται προς τα αρνητικά.
β) Η ένταση του πεδίου έχει μεγάλο μέτρο στις περιοχές του χώρου,όπου είναι πιο πυκνές,ενώ η ένταση του πεδίου έχει μικρό μέτρο στις περιοχές του χώρου, όπου είναι πιο αραιές.
γ) Δεν τέμνονται γιατί αν τέμνονταν,σε ένα σημείο θα είχαμε δύο εντάσεις του ηλεκτρικού πεδίου πράγμα που δεν ισχύει.
ΔΙΑΦΟΡΕΣ ΜΟΡΦΕΣ ΠΕΔΙΩΝ
Ηλεκτρικά πεδία δημιουργούνται και από συστήματα δύο ή περισσότερων ηλεκτρικών φορτίων.
| Ανομοιογενές ηλεκτρικό πεδίο ονομάζεται το πεδίο που δεν έχει την ίδια ένταση σε όλα τα σημεία του |
Ανομοιογενές ηλεκτρικό πεδίο ονομάζεται το πεδίο που δεν έχει την ίδια ένταση σε όλα τα σημεία του.
Στην φύση συναντάμε πάντα ανομοιογενή πεδία και έχουν ένταση διαφορετικού μέτρου και κατεύθυνσης.
ΟΜΟΓΕΝΕΣ ΗΛΕΚΤΡΟΣΤΑΤΙΚΟ ΠΕΔΙΟ
Ομογενές ηλεκτρικό πεδίο ονομάζεται το πεδίο το οποίο έχει την ίδια ένταση ε σε όλα τα σημεία του.
| Ομογενές ηλεκτρικό πεδίο ονομάζεται το πεδίο το οποίο έχει την ίδια ένταση ε σε όλα τα σημεία του |
Το πεδίο αυτό απεικονίζεται με τη βοήθεια δυναμικών γραμμών, οι οποίες είναι παράλληλες,ίδιας φοράς και ισαπέχουν.
| Το ομογενές πεδίο απεικονίζεται με τη βοήθεια δυναμικών γραμμών,οι οποίες είναι παράλληλες,ίδιας φοράς και ισαπέχουν |
Αν φορτίσουμε τις πλάκες με αντίθετα φορτία,τότε ανάμεσα στις δυο πλάκες δημιουργείται ομογενές ηλεκτρικό πεδίο.Το σύστημα αυτό ονομάζεται επίπεδος πυκνωτής.
| Οι δυναμικές γραμμές ομογενούς ηλεκτρικού πεδίου |
Όπως είπαμε τα ηλεκτρικά πεδία που εμφανίζονται στη φύση είναι ανομοιογενή.
ΗΛΕΚΤΡΙΚΗ ΔΥΝΑΜΙΚΗ ΕΝΕΡΓΕΙΑ
Όπως προκύπτει από τη σχέση UΓ=kQq/r το πρόσημο της δυναμικής ενέργειας του ηλεκτρικού φορτίου q στη θέση (Γ) μπορεί να είναι θετικό ή αρνητικό, αν τα φορτία Q,q είναι ομώνυμα ή ετερώνυμα αντίστοιχα.
ΕΡΓΟ ΠΟΥ ΠΑΡΑΓΕΤΑΙ ΑΠΟ ΣΥΝΤΗΡΗΤΙΚΟ ΠΕΔΙΟ
Αν στο τυχαίο σημείο Α ενός συντηρητικού πεδίου φέρουμε το κατάλληλο υπόθεμα,τότε το πεδίο θ' ασκήσει στο υπόθεμα τη συντηρητική δύναμη F.
Αν το υπόθεμα μετακινηθεί από τη θέση Α στη θέση Β,τότε η δύναμη F παράγει έργο WA→Β,αφού μετατοπίζει το σημείο εφαρμογής της.
Αυτό ακριβώς το έργο ονομάζεται έργο που παράγεται από το συντηρητικό πεδίο κατά την μετακίνηση του υποθέματος από τη θέση Α στη θέση Β.
Αποδεικνύεται ότι το έργο WA→Β μιας συντηρητικής δύναμης,όταν μετακινείται από μια θέση Α σε μια άλλη θέση Β,δεν εξαρτάται από τη διαδρομή που ακολουθεί το υπόθεμα,αλλά μόνο από τις θέσεις Α και Β.
ΒΑΡΥΤΙΚΟ ΠΕΔΙΟ ΚΑΙ ΒΑΡΥΤΙΚΗ ΔΥΝΑΜΙΚΗ ΕΝΕΡΓΕΙΑ
Αν στο τυχαίο σημείο Α ενός συντηρητικού πεδίου φέρουμε το κατάλληλο υπόθεμα,τότε το πεδίο θ' ασκήσει στο υπόθεμα τη συντηρητική δύναμη F.
![]() |
| Αν το υπόθεμα μετακινηθεί από τη θέση Α στη θέση Β,τότε η δύναμη F παράγει έργο WA→Β,αφού μετατοπίζει το σημείο εφαρμογής της |
![]() |
| Έργο που παράγεται από το συντηρητικό πεδίο κατά την μετακίνηση του υποθέματος από τη θέση Α στη θέση Β |
![]() |
| Το έργο WA→Β μιας συντηρητικής δύναμης,όταν μετακινείται από μια θέση Α σε μια άλλη θέση Β,δεν εξαρτάται από τη διαδρομή που ακολουθεί το υπόθεμα,αλλά μόνο από τις θέσεις Α και Β |
ΒΑΡΥΤΙΚΟ ΠΕΔΙΟ ΚΑΙ ΒΑΡΥΤΙΚΗ ΔΥΝΑΜΙΚΗ ΕΝΕΡΓΕΙΑ
Γνωρίζουμε ότι η βαρυτική δυναμική ενέργεια Γης-σώματος,είναι ιδιότητα του συστήματος των δύο σωμάτων.
Η ιδιότητα αυτή οφείλεται στην ύπαρξη δυνάμεων αλληλεπίδρασης μεταξύ των σωμάτων.
![]() |
| Αν τα δύο σώματα βρεθούν σε άπειρη απόσταση το ένα ως προς το άλλο,τότε πρακτικά δεν ασκούνται δυνάμεις αλληλεπίδρασης και η δυναμική ενέργεια του συστήματος θεωρούμε ότι μηδενίζεται |
Αν τα δύο σώματα βρεθούν σε άπειρη απόσταση το ένα ως προς το άλλο,τότε πρακτικά δεν ασκούνται δυνάμεις αλληλεπίδρασης και η δυναμική ενέργεια του συστήματος θεωρούμε ότι μηδενίζεται.
![]() |
Η σχέση που συνδέει τη μεταβολή της δυναμικής ενέργειας συστήματος σωμάτων με το έργο των συντηρητικών δυνάμεων αλληλεπίδρασης είναι ΔU=-W
|
Η σχέση που συνδέει τη μεταβολή της δυναμικής ενέργειας συστήματος σωμάτων με το έργο των συντηρητικών δυνάμεων αλληλεπίδρασης,όπως π.χ. το βάρος είναι:
ΔU=-W ή
UΤΕΛ-UΑΡΧ =-W ή
W=-(UΤΕΛ-UΑΡΧ)
UΤΕΛ-UΑΡΧ =-W ή
W=-(UΤΕΛ-UΑΡΧ)
Κατά τη μετακίνηση μάζας m από τη θέση (Α) σε άπειρη απόσταση (πρακτικά σε απόσταση που η δύναμη αλληλεπίδρασης να μπορεί να θεωρηθεί αμελητέα),το έργο της δύναμης του πεδίου WA→∞ σύμφωνα με τη σχέση ΔU=-W ή UΤΕΛ-UΑΡΧ=-W ή W =-(UΤΕΛ-UΑΡΧ) είναι:
WA→∞=-(U∞-UA) ή
WA→∞=UA-U∞
WA→∞=UA-U∞
![]() |
Κατά τη μετακίνηση μάζας m από τη θέση (Α) σε άπειρη απόσταση , το έργο της δύναμης του πεδίου είναι WA→∞=UA-U∞
|
Επειδή όμως σε άπειρη απόσταση η δυναμική ενέργεια του σώματος είναι U∞=0 έχουμε:
UA=WA→∞
Από τη σχέση UA = WA→∞ προκύπτει ότι η δυναμική ενέργεια του συστήματος στην αρχική θέση είναι ίση με το έργο της δύναμης του βαρυτικού πεδίου κατά τη μετακίνηση της μάζας από τη θέση (Α) στο άπειρο.
ΗΛΕΚΤΡΙΚΟ ΠΕΔΙΟ ΚΑΙ ΔΥΝΑΜΙΚΗ ΕΝΕΡΓΕΙΑ
Θεωρούμε ένα ακλόνητο αρνητικό ηλεκτρικό φορτίο Q.Το φορτίο αυτό δημιουργεί ηλεκτρικό πεδίο. Στη θέση (Γ) του πεδίου βρίσκεται θετικό δοκιμαστικό φορτίο q.
Όπως στο βαρυτικό πεδίο έτσι και οι ηλεκτροστατικές δυνάμεις είναι συντηρητικές.Άρα η δυναμική ενέργεια του συστήματος των δύο φορτίων δίνεται από τη σχέση:
UA=WA→∞
![]() |
| Θεωρούμε ένα ακλόνητο αρνητικό ηλεκτρικό φορτίο Q.Στη θέση (Γ) του πεδίου βρίσκεται θετικό δοκιμαστικό φορτίο q |
UA=WA→∞
Ο υπολογισμός του έργου WΓ→∞ είναι πολύ δύσκολος και δε γίνεται με απλά μαθηματικά, διότι υπάρχουν δυο δυσκολίες.
Η πρώτη είναι ότι η δύναμη μεταβάλλεται με την απόσταση (F=k|Q q|/r2) και η δεύτερη ότι η μετατόπιση είναι απείρου μήκους. Με τη χρήση όμως ανώτερων μαθηματικών αποδεικνύεται ότι το έργο είναι:
![]() |
| Ο υπολογισμός του έργου WΓ→∞ είναι πολύ δύσκολος και δε γίνεται με απλά μαθηματικά.Με τη χρήση όμως ανώτερων μαθηματικών αποδεικνύεται ότι το έργο είναι WΓ→∞=k Qq/r |
WΓ→∞=k Qq/r
Όμως λόγω της σχέσης UA=WA→∞ η δυναμική ενέργεια του συστήματος των φορτίων στην αρχική θέση είναι:
U(Γ)=k Qq/r
όπου:
k η ηλεκτρική σταθερά.
r η απόσταση μεταξύ των ηλεκτρικών φορτίων στην αρχική θέση.
k η ηλεκτρική σταθερά.
r η απόσταση μεταξύ των ηλεκτρικών φορτίων στην αρχική θέση.
![]() |
| Η ηλεκτρική δυναμική ενέργεια |
Θεωρούμε ότι η δυναμική ενέργεια του συστήματος ανήκει στο φορτίο q,γιατί το φορτίο πηγή Q είναι ακλόνητο.
Όταν έχουμε ομώνυμα ηλεκτρικά φορτία, οι δυνάμεις που ασκούνται είναι απωθητικές.
![]() |
| Η δυναμική ενέργεια των ομώνυμων φορτίων είναι θετική |
Επομένως, το έργο της δύναμης του πεδίου είναι παραγόμενο (θετικό) κατά τη μετακίνηση του φορτίου q από τη θέση (Γ) στο άπειρο και η δυναμική ενέργεια του φορτίου q στη θέση (Γ) είναι θετική. Αυτό σημαίνει ότι,το φορτίο q μπορεί να μετακινείται αυθόρμητα προς το άπειρο και η δυναμική του ενέργεια να ελαττώνεται.
Όταν έχουμε ετερώνυμα ηλεκτρικά φορτία, οι δυνάμεις που ασκούνται είναι ελκτικές.
![]() |
| Η δυναμική ενέργεια των ετερώνυμων φορτίων είναι αρνητική |
Επομένως, το έργο της δύναμης του πεδίου είναι καταναλισκόμενο (αρνητικό) κατά τη μετακίνηση του φορτίου q από τη θέση (Γ) στο άπειρο και η δυναμική ενέργεια του φορτίου q στη θέση (Γ) είναι αρνητική.Αυτό σημαίνει ότι πρέπει να προσφερθεί ενέργεια στο φορτίο q για να μετακινηθεί προς το άπειρο με αποτέλεσμα η δυναμική του ενέργεια να αυξάνεται.
ΔΥΝΑΜΙΚΟ - ΔΙΑΦΟΡΑ ΔΥΝΑΜΙΚΟΥ
Διαιρούμε το έργο αυτό με το φορτίο που μετακινείται.Το πηλίκο W/q,που εκφράζει το έργο ανά μονάδα φορτίου,είναι ανεξάρτητο όχι μόνο από τη διαδρομή αλλά και από το φορτίο που μετακινείται κάθε φορά.
Την ιδιότητα αυτή του ηλεκτρικού πεδίου την εκμεταλλευόμαστε για να ορίσουμε ένα νέο μέγεθος,το δυναμικό.
Γνωρίζουμε ότι η δυναμική ενέργεια δοκιμαστικού φορτίου q,στη θέση (A) που απέχει απόσταση r από ένα φορτίο Q που είναι η πηγή του πεδίου Q ισούται:
Έστω ότι στη θέση (A) τοποθετήσουμε ένα άλλο δοκιμαστικό φορτίο q′=2q,η δυναμική του ενέργεια γίνεται:
όπου:
VΓ το δυναμικό σε μία θέση (A) ηλεκτρικού πεδίου.
UΓ η δυναμική ενέργεια φορτίου q στη θέση A.
q το φορτίο.
Μονάδα μέτρησης του δυναμικού στο S.I. είναι το ένα βόλτ 1V.
Από την σχέση VA=UΓ/q βλέπουμε ότι το 1V ισοδυναμεί με 1 J/C (1 Volt=1Joule/1C).
Γνωρίζουμε ότι UA=WA→∞.Συνεπώς η σχέση VA=UΓ/q γράφεται:
Η περιγραφή ενός ηλεκτρικού πεδίου με την βοήθεια του δυναμικού πλεονεκτεί της περιγραφής με την ένταση του πεδίου γιατί το δυναμικό είναι μονόμετρο μέγεθος και η πρόσθεση δυναμικών είναι εύκολη,όταν αναφερόμαστε σε περισσότερα από ένα φορτία.
UA=k·Q/r · q
Αντικαθιστούμε την σχέση UΓ=k·Q/r q στην VΓ=UΓ/q και βρίσκουμε:
Διαφορά δυναμικού μεταξύ δύο σημείων (Α) και (Β) ηλεκτρικού πεδίου ονομάζεται το πηλίκο του έργου που παράγει ή καταναλώνει η δύναμη του πεδίου κατά τη μεταφορά δοκιμαστικού φορτίου q από τη θέση (Α) στη θέση (Β),προς το φορτίο αυτό.
Αν αφήσουμε σε ένα σημείο Α του ηλεκτρικού πεδίου ένα θετικό φορτίο αυτό θα κινηθεί στην κατεύθυνση της δύναμης που δέχεται από το πεδίο.Το έργο αυτής της δύναμης είναι θετικό και επομένως η διαφορά δυναμικού μεταξύ του σημείου Α και ενός άλλου σημείου Β στη διαδρομή του φορτίου (VA-VB) είναι θετική,δηλαδή το δυναμικό στο σημείο Β είναι μικρότερο από το δυναμικό στο σημείο Α.
VA=V1+V2+V3+...
Θεωρούμε μερικά ακίνητα φορτισμένα σώματα.Όπως γνωρίζουμε τα φορτισμένα σώματα αυτά δημιουργούν γύρω τους ηλεκτρικό πεδίο.Αν τοποθετήσουμε σε κάποιο σημείο A του ηλεκτρικού πεδίου ένα σωματίδιο με φορτίο q,το πεδίο θα ασκήσει στο φορτίο δύναμη F=E·q.Αν μετακινήσουμε το φορτίο q από το σημείο A,σε ένα άλλο σημείο Β,του ηλεκτρικού πεδίου,το ηλεκτρικό πεδίο ασκεί στο φορτίο q δύναμη η οποία παράγει ή καταναλώνει έργο.
![]() |
| Θεωρούμε μερικά ακίνητα φορτισμένα σώματα.Αν τοποθετήσουμε σε κάποιο σημείο A του ηλεκτρικού πεδίου ένα σωματίδιο με φορτίο q,το πεδίο θα ασκήσει στο φορτίο δύναμη F=E·q |
Μπορούμε να αποδείξουμε ότι το έργο της δύναμης του πεδίου κατά τη μετακίνηση του φορτίου q, από το σημείο A στο σημείο Β του ηλεκτρικού πεδίου,δεν εξαρτάται από την διαδρομή που επιλέγουμε.Αυτά τα πεδία ονομάζονται διατηρητικά.
![]() |
| Το έργο της δύναμης του πεδίου κατά τη μετακίνηση του φορτίου q, από το σημείο A στο σημείο Β του ηλεκτρικού πεδίου, δεν εξαρτάται από την διαδρομή που επιλέγουμε |
![]() |
Η δυναμική ενέργεια δοκιμαστικού φορτίου q, στη θέση (A) που απέχει απόσταση r από ένα φορτίο Q που είναι η πηγή του πεδίου Q ισούται U1=k·Q/r · q
|
![]() |
Αν στη θέση (A) τοποθετήσουμε ένα άλλο δοκιμαστικό φορτίο q′=2q,η δυναμική του ενέργεια γίνεται U2=k·Q/r · 2q
|
U1=k·Q/r · q
Έστω ότι στη θέση (A) τοποθετήσουμε ένα άλλο δοκιμαστικό φορτίο q′=2q,η δυναμική του ενέργεια γίνεται:
U2=k·Q/r · 2q
Από τις δυο τελευταίες σχέσεις βλέπουμε ότι U2=2U1.Από αυτό καταλαβαίνουμε ότι η δυναμική ενέργεια είναι ανάλογη του φορτίου q.
ΟΡΙΣΜΟΣ ΔΥΝΑΜΙΚΟΥ
Το πηλίκο της δυναμικής ενέργειας του φορτίου q προς το φορτίο αυτό είναι μία φυσική ποσότητα που έχει σταθερή τιμή ανεξάρτητη του φορτίου q στη συγκεκριμένη θέση (A) του πεδίου.
Τη φυσική αυτή ποσότητα ονομάζουμε δυναμικό του πεδίου στη θέση (A) και συμβολίζεται VA.
Συνεπώς:
ΟΡΙΣΜΟΣ ΔΥΝΑΜΙΚΟΥ
Το πηλίκο της δυναμικής ενέργειας του φορτίου q προς το φορτίο αυτό είναι μία φυσική ποσότητα που έχει σταθερή τιμή ανεξάρτητη του φορτίου q στη συγκεκριμένη θέση (A) του πεδίου.
![]() |
| Δυναμικό (VA)σε μία θέση (A) ηλεκτρικού πεδίου ονομάζεται το μονόμετρο φυσικό μέγεθος, που ισούται με το πηλίκο της δυναμικής ενέργειας φορτίου q στη θέση Α προς το φορτίο αυτό |
Δυναμικό (VA)σε μία θέση (A) ηλεκτρικού πεδίου ονομάζεται το μονόμετρο φυσικό μέγεθος, που ισούται με το πηλίκο της δυναμικής ενέργειας φορτίου q στη θέση Α προς το φορτίο αυτό.
VΑ=UΑ/q
VΓ το δυναμικό σε μία θέση (A) ηλεκτρικού πεδίου.
UΓ η δυναμική ενέργεια φορτίου q στη θέση A.
q το φορτίο.
Το δυναμικό σε μία θέση ηλεκτρικού πεδίου είναι μονόμετρο μέγεθος.Αυτό σημαίνει ότι για να προσθέσουμε δυναμικά τα προσθέτουμε αλγεβρικά.
![]() |
| Το δυναμικό αυξάνεται όσο πλησιάζει στο φορτίο πηγή και μειώνεται όσο απομακρύνεται από το φορτίο πηγή |
Από την σχέση VA=UΓ/q βλέπουμε ότι το 1V ισοδυναμεί με 1 J/C (1 Volt=1Joule/1C).
VA=WA→∞/q
Η περιγραφή ενός ηλεκτρικού πεδίου με την βοήθεια του δυναμικού πλεονεκτεί της περιγραφής με την ένταση του πεδίου γιατί το δυναμικό είναι μονόμετρο μέγεθος και η πρόσθεση δυναμικών είναι εύκολη,όταν αναφερόμαστε σε περισσότερα από ένα φορτία.
ΔYNAMIKO ΗΛΕΚΤΡΟΣΤΑΤΙΚΟΥ ΠΕΔΙΟΥ COULOMB
Όπως είπαμε το δυναμικό (VA)σε μία θέση (A) ηλεκτρικού πεδίου είναι:
VA=UA/q
Επίσης γνωρίζουμε ότι η δυναμική ενέργεια φορτίου q στη θέση (A) ισούται:
![]() |
| Η γραφική παράσταση του δυναμικού σε μια θέση ηλεκτρικού πεδίου σε συνάρτηση με τη απόσταση του σημείου με το φορτίο |
VA=k·Q/r
όπου:
VΓ το δυναμικό σε μία θέση (A) ηλεκτρικού πεδίου
k η ηλεκτρική σταθερά.
Q το φορτίο που δημιουργεί το πεδίο.
r η απόσταση μεταξύ του σημείου (A) και του φορτίου Q.
VΓ το δυναμικό σε μία θέση (A) ηλεκτρικού πεδίου
k η ηλεκτρική σταθερά.
Q το φορτίο που δημιουργεί το πεδίο.
r η απόσταση μεταξύ του σημείου (A) και του φορτίου Q.
ΟΡΙΣΜΟΣ ΔΙΑΦΟΡΑΣ ΔΥΝΑΜΙΚΟΥ
Θεωρούμε φορτίο πηγή Q και δοκιμαστικό φορτίο q.Το δοκιμαστικό αυτό φορτίο q μετακινείται από μία θέση (Α) σε μία άλλη θέση (Β) του πεδίου.Το φορτίο Q στις θέσεις (A) και (B) έχει δυναμική ενέργεια UA και UB αντίστοιχα.
Όπως αναφέραμε το δυναμικό στην θέση (A) ισούται:
VΑ=UΑ/q
Αντίστοιχα το δυναμικό στην θέση (B) είναι:
![]() |
| Θεωρούμε φορτίο πηγή Q και δοκιμαστικό φορτίο q.Το δοκιμαστικό αυτό φορτίο q μετακινείται από μία θέση (Α) σε μία άλλη θέση (Β) του πεδίου |
VΑ=UΑ/q
Αντίστοιχα το δυναμικό στην θέση (B) είναι:
VΒ=UΒ/q
Η διαφορά VΑ-VΒ ονομάζεται διαφορά δυναμικού μεταξύ των σημείων (Α) και (Β) και συμβολίζεται VΑΒ.
Η διαφορά δυναμικού VΑΒ ισούται:
Η διαφορά δυναμικού VΑΒ ισούται:
VΑΒ=VΑ-VΒ ή
VΑΒ=UΑ/q-UΒ/q ή
VΣΡ=UΑ-UΒ/q
VΑΒ=UΑ/q-UΒ/q ή
VΣΡ=UΑ-UΒ/q
Γνωρίζουμε όμως ότι για το ηλεκτροστατικό πεδίο ισχύει:
WΑ→Β =-ΔUΑΒ=UΑ-UΒ
Άρα η σχέση VΑΒ=UΑ-UΒ/q γίνεται ισοδύναμα:
VΑΒ=WΑ→Β/q
Διαφορά δυναμικού μεταξύ δύο σημείων (Α) και (Β) ηλεκτρικού πεδίου ονομάζεται το πηλίκο του έργου που παράγει ή καταναλώνει η δύναμη του πεδίου κατά τη μεταφορά δοκιμαστικού φορτίου q από τη θέση (Α) στη θέση (Β),προς το φορτίο αυτό.
VΑΒ=WΑ→Β/q
ΣΥΜΠΕΡΑΣΜΑΤΑ ΓΙΑ ΤΗΝ ΔΙΑΦΟΡΑ ΔΥΝΑΜΙΚΟΥ
Η διαφορά δυναμικού εκφράζει το έργο της δύναμης του ηλεκτρικού πεδίου ανά μονάδα φορτίου,το οποίο απαιτείται για τη μετακίνησή του φορτίου από τη θέση (Α) στη θέση (Β).Επειδή το δυναμικό σχετίζεται με το έργο,είναι ένα μέγεθος εξαιρετικά χρήσιμο για τη μελέτη ενός προβλήματος από ενεργειακή άποψη.
Η διαφορά δυναμικού εκφράζει το έργο της δύναμης του ηλεκτρικού πεδίου ανά μονάδα φορτίου,το οποίο απαιτείται για τη μετακίνησή του φορτίου από τη θέση (Α) στη θέση (Β).Επειδή το δυναμικό σχετίζεται με το έργο,είναι ένα μέγεθος εξαιρετικά χρήσιμο για τη μελέτη ενός προβλήματος από ενεργειακή άποψη.
![]() |
| Η διαφορά δυναμικού εκφράζει το έργο της δύναμης του ηλεκτρικού πεδίου ανά μονάδα φορτίου,το οποίο απαιτείται για τη μετακίνησή του φορτίου από τη θέση (Α) στη θέση (Β) |
Το ηλεκτρικό πεδίο αναγκάζει τα θετικά φορτία που αφήνονται σε ένα σημείο του να κινούνται στην κατεύθυνση στην οποία τα δυναμικά μικραίνουν.Αντίθετα,τα αρνητικά φορτία κινούνται προς την κατεύθυνση στην οποία τα δυναμικά αυξάνονται.
Για παράδειγμα αν δύο σημεία (Α) και (Β) του ηλεκτροστατικού πεδίου,έχουν δυναμικά VΑ=+100 Volt και VΒ=+20 Volt η διαφορά δυναμικού μεταξύ των δύο σημείων είναι:
VΑΒ=VΑ-VΒ=100 V-20 V=80 V
Αυτό σημαίνει ότι, κατά τη μετακίνηση θετικού δοκιμαστικού φορτίου ενός Coulomb από τη θέση (Α) στη θέση (Β), το έργο της δύναμης του πεδίου είναι +80 J και η ηλεκτρική δυναμική ενέργεια του δοκιμαστικού φορτίου ελαττώθηκε κατά 80 J.
Αν το φορτίο που μετακινείται είναι το στοιχειώδες φορτίο (e=1,6x10-19 C) και η διαφορά δυναμικού που παρουσιάζουν τα σημεία Α και Β είναι 1V,το έργο της δύναμης του πεδίου είναι W=1V·1,6x10-19 C=1,6x10-19J.
1 eV=1,6x10-19J
Αν το φορτίο που μετακινείται είναι το στοιχειώδες φορτίο (e=1,6x10-19 C) και η διαφορά δυναμικού που παρουσιάζουν τα σημεία Α και Β είναι 1V,το έργο της δύναμης του πεδίου είναι W=1V·1,6x10-19 C=1,6x10-19J.
![]() |
| Ένα ηλεκτρονιοβόλτ (1 eV),εκφράζει το ποσό της κινητικής ενέργειας που αποκτά ένα ηλεκτρόνιο καθώς περνά από ηλεκτροστατική διαφορά δυναμικού ενός βολτ (V),στο κενό |
Το έργο αυτό το ονομάζεται ηλεκτρονιοβόλτ και το συμβολίζουμε με 1 eV.
Ένα ηλεκτρονιοβόλτ (1 eV),εκφράζει το ποσό της κινητικής ενέργειας που αποκτά ένα ηλεκτρόνιο καθώς περνά από ηλεκτροστατική διαφορά δυναμικού ενός βολτ (V),στο κενό.
ΠΑΡΑΤΗΡΗΣΕΙΣ
α) Όταν το ηλεκτρικό πεδίο δημιουργείται από πολλά σημειακά φορτία Q1,Q2,Q3…,για να υπολογίσουμε το δυναμικό στο σημείο Α (VA),στηριζόμαστε στην αρχή της επαλληλίας.
Σύμφωνα με αυτή το δυναμικό του πεδίου που δημιουργούν στο σημείο Α όλα τα φορτία ισούται με το άθροισμα των δυναμικών των πεδίων που θα δημιουργούσε το κάθε φορτίο Q1,Q2 κ.λ.π. στο σημείο Α,δηλαδή:
![]() |
| Το δυναμικό του πεδίου που δημιουργούν στο σημείο Α όλα τα φορτία ισούται με το άθροισμα των δυναμικών των πεδίων που θα δημιουργούσε το κάθε φορτίο Q1,Q2 κ.λ.π. στο σημείο Α,δηλαδή VA=V1+V2+V3+... |
VA=V1+V2+V3+...
β) Στην περίπτωση του πεδίου Coulomb η διαφορά δυναμικού μεταξύ δύο σημείων (Α) και (Β),υπολογίζεται από τη σχέση:
VΑΒ=VΑ-VΒ=k·Q/r1-k·Q/r2
VΑΒ=k·Q·(1/r1-1/r2)
όπου:
r1, r2 οι αποστάσεις των σημείων (Α) και (Β) αντίστοιχα, από το φορτίο Q.
r1, r2 οι αποστάσεις των σημείων (Α) και (Β) αντίστοιχα, από το φορτίο Q.
γ) Από τη σχέση VΑΒ=WΑ→Β/q έχουμε ότι:
WΣ→Ρ=q·VΣΡ
Από την σχέση αυτή μπορούμε να υπολογίσουμε το έργο της δύναμης του πεδίου κατά τη μετακίνηση ηλεκτρικού φορτίου q από το σημείο (Α) σε σημείο (Β),των οποίων η διαφορά δυναμικού είναι VΑΒ.
ΔΥΝΑΜΙΚΟ ΠΕΔΙΟ ΠΟΥ ΟΦΕΙΛΕΤΑΙ ΣΕ ΣΗΜΕΙΑΚΟ ΦΟΡΤΙΟ
ΔΥΝΑΜΙΚΟ ΠΕΔΙΟ ΠΟΥ ΟΦΕΙΛΕΤΑΙ ΣΕ ΣΗΜΕΙΑΚΟ ΦΟΡΤΙΟ
Μπορούμε να αποδείξουμε ότι το δυναμικό του πεδίου που οφείλεται σε σημειακό φορτίο Q,σε ένα σημείο που απέχει από το φορτίο απόσταση r,ισούται:
V=K·Q/r
ΠΥΚΝΩΤΕΣ
![]() |
| ΠΥΚΝΩΤΕΣ |
ΕΙΣΑΓΩΓΗ
Σε πολλές από τις συσκευές που χρησιμοποιούμε στην καθημερινή ζωή, όπως τα στερεοφωνικά συγκροτήματα, οι τηλεοράσεις, οι τηλεφωνικές συσκευές, οι ηλεκτρονικοί υπολογιστές, υπάρχει η ανάγκη να αποθηκεύεται κάποια ποσότητα ηλεκτρικού φορτίου για ορισμένο χρονικό διάστημα και να χρησιμοποιείται την κατάλληλη χρονική στιγμή.
![]() |
| Ο πρώτος πυκνωτής κατασκευάστηκε στο Πανεπιστήμιο του Leyden της Ολλανδίας το 1745 |
Η διάταξη με την οποία επιτυγχάνεται η αποθήκευση του ηλεκτρικού φορτίου είναι ο πυκνωτής.
Ο πυκνωτής είναι μία συσκευή που χρησιμεύει ως αποθήκη ηλεκτρικού φορτίου και επομένως ηλεκτρικής ενέργειας. Αποτελείται από δύο αγωγούς που διαχωρίζονται από ένα μονωτικό υλικό.
Ο πρώτος πυκνωτής κατασκευάστηκε στο Πανεπιστήμιο του Leyden της Ολλανδίας το 1745.
Αποτελείται από ένα γυάλινο δοχείο το οποίο έχει καλυφθεί εσωτερικά και εξωτερικά με λεπτά φύλλα μετάλλου. Ένα κατακόρυφο μεταλλικό στέλεχος που περνά από το στόμιο του δοχείου, έχει στο επάνω μέρος του ένα μεταλλικό σφαιρίδιο και είναι μονωμένο με κατάλληλο πώμα. Το κάτω άκρο του στελέχους μέσω μιας μεταλλικής αλυσίδας έρχεται σε επαφή με το εσωτερικό φύλλο του μετάλλου-αγωγού.
Οι δυο αγωγοί (φύλλα μετάλλου) εσωτερικός και εξωτερικός αποτελούν τον πυκνωτή. Αν με μια φορτισμένη ράβδο φορτίσουμε τον εσωτερικό αγωγό αρνητικά, τότε τα ηλεκτρόνια του εξωτερικού αγωγού απωθούμενα διαφεύγουν μέσω της γείωσης και ο αγωγός φορτίζεται θετικά. Διακόπτοντας την επαφή με την ράβδο και τη γείωση έχουμε ένα φορτισμένο πυκνωτή.
ΕΠΙΠΕΔΟΣ ΠΥΚΝΩΤΗΣ - ΦΟΡΤΙΣΗ
Τυπική μορφή πυκνωτή είναι ο επίπεδος πυκνωτής. Αποτελείται από δυο όμοια λεπτά και επίπεδα μεταλλικά φύλλα (πλάκες), που βρίσκονται σε πολύ μικρή απόσταση σε σχέση με τις διαστάσεις τους.
![]() |
| Ο επίπεδος πυκνωτής αποτελείται από δύο όμοια λεπτά και επίπεδα μεταλλικά φύλλα (πλάκες), που βρίσκονται σε πολύ μικρή απόσταση σε σχέση με τις διαστάσεις τους |
Ο επίπεδος πυκνωτής είναι η μόνη διάταξη με την οποία μπορούμε να παράγουμε ομογενές ηλεκτρικό πεδίο φορτίζοντάς τον, με τη παρακάτω διαδικασία.
![]() |
| Πυκνωτής εμπορίου |
Έστω μια επίπεδη μεταλλική πλάκα (Α) η οποία έχει συνδεθεί με ένα ηλεκτροσκόπιο, την οποία φορτίζουμε με αρνητικό ηλεκτρικό φορτίο. Μία δεύτερη όμοια μεταλλική πλάκα (Β), που είναι γειωμένη, τοποθετείται κοντά στην (Α).
![]() |
| Συμβολισμός του επίπεδου πυκνωτή |
Η πλάκα (Β) αποκτά θετικό ηλεκτρικό φορτίο καθώς πλησιάζει την (Α), γιατί ελεύθερα ηλεκτρόνιά της, απωθούμενα από τα ηλεκτρόνια της φορτισμένης πλάκας (Α), φεύγουν προς τη Γη.
![]() |
| Η αύξηση του ηλεκτρικού φορτίου της πλάκας (Α) αποδεικνύεται από το πλησίασμα των φύλλων του ηλεκτροσκοπίου |
Ταυτοχρόνως, καθώς η πλάκα (Β) πλησιάζει την πλάκα (Α), διαπιστώνουμε ότι η πλάκα (Α) αποκτά όλο και μεγαλύτερο αρνητικό φορτίο.Η αύξηση του ηλεκτρικού φορτίου της πλάκας (Α) αποδεικνύεται από το πλησίασμα των φύλλων του ηλεκτροσκοπίου.Αυτό οφείλεται στη μετακίνηση ελεύθερων ηλεκτρονίων από τα φύλλα του ηλεκτροσκοπίου και του στελέχους προς τη πλάκα (Α), λόγω των ελκτικών δυνάμεων Coulomb, οι οποίες μεγαλώνουν, καθώς πλησιάζει η πλάκα (Β).
![]() |
| Φάσμα ηλεκτρικών δυναμικών γραμμών ομογενούς ηλεκτρικού πεδίου |
Τελικά, οι δυο οπλισμοί αλληλεπιδρώντας αποκτούν αντίθετα ηλεκτρικά φορτία +Q και -Q. Τότε λέμε ότι ο πυκνωτής είναι φορτισμένος. Η απόλυτη τιμή |Q| του φορτίου ενός από τους δύο οπλισμούς του, λέγεται φορτίο του πυκνωτή. Λόγω της ανάπτυξης ηλεκτρικού φορτίου στους αγωγούς (Α) και (Β), εμφανίζεται σε κάθε έναν από αυτούς, δυναμικό VA και VB αντίστοιχα. Η διαφορά VA-VB ή VAB ή V ονομάζεται διαφορά δυναμικού ή τάση του πυκνωτή.
ΧΩΡΗΤΙΚΟΤΗΤΑ ΠΥΚΝΩΤΗ
Αν φορτίσουμε διαδοχικά έναν πυκνωτή, με φορτία Q, 2Q, 3Q κ.λπ. αποδεικνύεται, ότι η τάση του γίνεται αντίστοιχα V, 2V, 3V κ.λπ. Επομένως, το φορτίο και η τάση ενός πυκνωτή είναι μεγέθη ανάλογα.Το πηλίκο τους είναι χαρακτηριστικό μέγεθος του πυκνωτή, ονομάζεται, χωρητικότητα του πυκνωτή και συμβολίζεται με το γράμμα C.
Χωρητικότητα C ενός πυκνωτή ονομάζεται το μονόμετρο φυσικό μέγεθος που είναι ίσο με το πηλίκο του ηλεκτρικού φορτίου Q του πυκνωτή, προς την τάση V του πυκνωτή.
C = QV
Μονάδα χωρητικότητας στο S.I. είναι το 1 F.
1 Farad = 1 Coulomb/1 Volt
Η χωρητικότητα ενός πυκνωτή είναι ένα πολύ χρήσιμο μέγεθος, γιατί μας πληροφορεί για το φορτίο που μπορεί να αποθηκευτεί ανά μονάδα τάσης μεταξύ των οπλισμών του.
Η χωρητικότητα C ενός πυκνωτή δεν εξαρτάται από το φορτίο και την τάση του, αλλά εξαρτάται από το σχήμα, τις διαστάσεις και την απόσταση των οπλισμών του, καθώς και από το μονωτή (διηλεκτρικό) που παρεμβάλλεται μεταξύ των οπλισμών του.
Πίνακας 1
Υλικό
|
Διηλεκτρική σταθερά
|
κενό
|
1
|
αέρας
|
1,0005
|
νερό
|
80
|
χαρτί
|
3,5
|
μίκα
|
5,4
|
κεχριμπάρι
|
2,7
|
γυαλί
|
4,5
|
πορσελάνη
|
6,5
|
πολυαιθυλένιο
|
2,3
|
Ο ορισμός της χωρητικότητας όπως δόθηκε από τη σχέση C=Q/V, ισχύει για κάθε μορφής πυκνωτή.
Ειδικά όμως για ένα επίπεδο πυκνωτή, όταν μεταξύ των οπλισμών του υπάρχει κενό ή αέρας, αποδεικνύεται ότι η χωρητικότητά του δίνεται από τη σχέση:
C = εo·Sℓ
όπου:
ε0 η απόλυτη διηλεκτρικά σταθερά του κενού:
εo = 8,85·10-12 C2/N·m2,
S το εμβαδόν οπλισμού και
ℓ η απόσταση των οπλισμών του.
ε0 η απόλυτη διηλεκτρικά σταθερά του κενού:
εo = 8,85·10-12 C2/N·m2,
S το εμβαδόν οπλισμού και
ℓ η απόσταση των οπλισμών του.
![]() |
| Πειραματικός έλεγχος της εξάρτησης της χωρητικότητας πυκνωτή από την απόσταση των οπλισμών του |
C = ε·εo·Sℓ
ε = 1
όπου:
ε η σχετική διηλεκτρική σταθερά του μονωτικού υλικού που είναι καθαρός αριθμός και εξαρτάται από το μονωτικό υλικό (πίνακας I) ειδικά για το κενό ή τον αέρα είναι:
ε = 1
ΕΝΕΡΓΕΙΑ ΦΟΡΤΙΣΜΕΝΟΥ ΠΥΚΝΩΤΗ
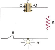
Στο εργαστήριο εκτελούμε την παρακάτω διαδικασία. Φορτίζουμε ένα πυκνωτή C = 25.000 μF με συνεχή τάση V= 12.Ο πυκνωτής συνδέεται μέσω διακόπτη με αντιστάτη αντίστασης R = 100 Ω και με λαμπτήρα (με χαρακτηριστικά 6 V και 60 mA).
![]() |
| Ένας πυκνωτής μπορεί να φορτιστεί μέσω μιας πηγής. Ηλεκτρόνια μεταφέρονται από τον οπλισμό Α στον οπλισμό Β. Όταν η τάση γίνει ίση με τη τάση της πηγής, ο πυκνωτής φορτίστηκε |
Κλείνουμε το διακόπτη και παρατηρούμε ότι ο λαμπτήρας αρχικά φωτοβολεί και γρήγορα σβήνει. Τη διαδικασία αυτή ονομάζουμε εκφόρτιση του πυκνωτή.
Από που προέρχεται η ενέργεια φωτοβολίας του λαμπτήρα; Επειδή δεν υπάρχει άλλο στοιχείο στο κύκλωμα εκτός από τον πυκνωτή, τον αντιστάτη και τον λαμπτήρα, η ενέργεια αυτή προέρχεται από το φορτισμένο πυκνωτή.
![]() |
| Κίνηση ηλεκτρονίων κατά τη φόρτιση πυκνωτή, μέσω ηλεκτρικής πηγής |
Ο πυκνωτής απέκτησε αυτή την ενέργεια κατά τη διαδικασία φόρτισης του. Αυτό συμβαίνει γιατί απαιτείται προσφορά ενέργειας για τη μεταφορά ηλεκτρικού φορτίου στους οπλισμούς του. Τα αντίθετα φορτία των δύο οπλισμών παρουσιάζουν αναλογία με ένα τεντωμένο ελατήριο.
Για τη παραμόρφωση ελατηρίου απαιτείται ενέργεια, η οποία αποθηκεύεται σ' αυτό με μορφή ελαστικής δυναμικής ενέργειας. Το ελατήριο κατά την επαναφορά του στην αρχική του κατάσταση προσφέρει την αποθηκευμένη ενέργεια.
![]() |
| Εκφόρτιση του πυκνωτή |
Αντίστοιχα, για τη φόρτιση του πυκνωτή απαιτείται ενέργεια, η οποία αποθηκεύεται σ' αυτόν με μορφή ηλεκτρικής δυναμικής ενέργειας. Ο πυκνωτής κατά την εκφόρτισή του προσφέρει την αποθηκευμένη σ' αυτόν ενέργεια.
Η ηλεκτρική δυναμική ενέργεια του πυκνωτή δίνεται από τη σχέση:
U=Q·V/2
εάν χρησιμοποιήσουμε τη σχέση ορισμού C=Q/V,έχουμε και τις ισοδύναμες:
U=C·V2/2 ή U=Q2/2C
ΣΧΕΣΗ ΜΕΤΡΟΥ ΕΝΤΑΣΗΣ ΚΑΙ ΔΙΑΦΟΡΑ ΔΥΝΑΜΙΚΟΥ ΣΕ ΟΜΟΓΕΝΕΣ ΗΛΕΚΤΡΟΣΤΑΤΙΚΟ ΠΕΔΙΟ
Διαθέτουμε ένα φορτισμένο πυκνωτή του οποίου η τάση είναι V και η απόσταση των οπλισμών του.
![]() |
| Διαθέτουμε ένα φορτισμένο πυκνωτή του οποίου η τάση είναι V και η απόσταση των οπλισμών του |
Έστω ότι δοκιμαστικό φορτίο +q, αφήνεται αρχικά πολύ κοντά στον οπλισμό (Α). Λόγω του ομογενούς ηλεκτρικού πεδίου, το φορτίο δέχεται δύναμη F = E·q, και μετακινείται μέχρι τον οπλισμό (Β). Κατά τη μετακίνηση, η δύναμη του πεδίου παράγει έργο:
WAB=F·l ή WAB=E·q·l
Το έργο αυτό μπορεί να υπολογισθεί από τη γνωστή μας σχέση WΣ→Ρ = q·VΣΡ :
Επομένως, από τις WAB=E·q·l και WAB = q·V έχουμε:
E·q·l = q·V ή
E = V/l
Από τη σχέση αυτή προκύπτει μια άλλη μονάδα μέτρησης της έντασης Ε του πεδίου:
1 V/m
1 V/m
Η μονάδα 1 V/m είναι ίση με την γνωστή μονάδα 1 N/C.
ΤYΠΟΙ ΠΥΚΝΩΤΩΝ
Οι συνηθέστερες μορφές πυκνωτών που χρησιμοποιούνται σε πρακτικές εφαρμογές είναι:
α) Πυκνωτές αέρα
Οι πυκνωτές αυτοί αποτελούνται από δύο συστήματα μεταλλικών πλακών, που αντιστοιχούν στους δύο οπλισμούς του πυκνωτή. Οι πλάκες κάθε συστήματος είναι σε αγώγιμη σύνδεση και βρίσκονται η μία μέσα στην άλλη χωρίς να ακουμπούν μεταξύ τους.Αν το ένα σύστημα των μεταλλικών πλακών είναι ακίνητο, ενώ το άλλο μπορεί να στρέφεται, τότε έχουμε ένα μεταβλητό πυκνωτή.Η μεταβολή της χωρητικότητάς του γίνεται με τη στροφή του κινητού οπλισμού, οπότε τα ελάσματά του μπαίνουν ή βγαίνουν μέσα στα ελάσματα του ακίνητου οπλισμού.
![]() |
| Μεταβλητός πυκνωτής |
Οι χωρητικότητες τέτοιων πυκνωτών φθάνουν από 10-400 pF και χρησιμοποιούνται σε ραδιοφωνικούς δέκτες. (1 pF = 10-12F)
β) Πυκνωτές με στερεά διηλεκτρικά
Οι οπλισμοί τους αποτελούνται από πολύ λεπτά μεταλλικά φύλλα, και μεταξύ τους παρεμβάλλονται λεπτά φύλλα διηλεκτρικού (όπως χαρτί, μίκα).
Τα λεπτά φύλλα του μετάλλου με το διηλεκτρικό τυλίγονται με τέτοιο τρόπο ώστε ο όγκος του πυκνωτή να είναι μικρός.
![]() |
| Τύλιγμα πυκνωτή με στερεό διηλεκτρικό |
Οι χωρητικότητες των πυκνωτών αυτών φθάνουν από 100 pF έως 1 μF.(1 μF = 10-6F)
Χρησιμοποιούνται σε ηλεκτρονικές και ηλεκτρικές συσκευές
γ) Ηλεκτρολυτικοί πυκνωτές
Αποτελούνται από δυο μεταλλικά φύλλα που χωρίζονται με χαρτί που έχει εμπλουτιστεί με διάλυμα ηλεκτρολύτη. Οι πυκνωτές αυτοί έχουν πολύ μεγαλύτερες χωρητικότητες από τους προηγούμενους. Οι χωρητικότητες των πυκνωτών αυτών φθάνουν από 10-2000μF.
![]() |
| Ηλεκτρολυτικός πυκνωτής |
Χρησιμοποιούνται στο κύκλωμα εκκίνησης ηλεκτρικών κινητήρων.
ΗΛΕΚΤΡΟΣΤΑΤΙΚΗ ΜΗΧΑΝΗ WIMSHURST
Όταν χρειαζόμαστε μεγάλες ποσότητες ηλεκτρικού φορτίου χρησιμοποιούμε τις ηλεκτροστατικές μηχανές.
Μια γνωστή ηλεκτροστατική μηχανή είναι και η μηχανή Wimshurst. Κατασκευάστηκε από τον Άγγλο μηχανικό James Wimshurst το 1883.
![]() |
| Μηχανή Wimshurst |
Η μηχανή αυτή χρησιμοποιείται στα περισσότερα σχολικά εργαστήρια φυσικής.
Η μηχανή με την περιστροφή των δύο δίσκων, αναπτύσσει αντίθετα ηλεκτρικά φορτία, τα οποία αποθηκεύονται σε δύο φιάλες-πυκνωτές (τύπου Leyden).
Οι δυο πυκνωτές είναι συνδεδεμένοι με δύο μεταλλικά στελέχη, που καταλήγουν σε δύο αγώγιμα σφαιρίδια. Τα σφαιρίδια καθώς λειτουργεί η μηχανή φορτίζονται με αντίθετα φορτία, όπως και οι πυκνωτές.
Αν πλησιάσουμε τα δύο σφαιρίδια, για κατάλληλη τιμή της έντασης του ηλεκτρικού πεδίου μεταξύ τους (από 15000-30000 V/cm), ξεσπά ηλεκτρικός σπινθήρας. Αυτό συμβαίνει γιατί ηλεκτρόνια του αρνητικά φορτισμένου σφαιριδίου οδηγούνται μέσω του αέρα προς το θετικά φορτισμένο, με αποτέλεσμα την εκφόρτιση του συστήματος.
Η εμφάνιση του σπινθήρα σημαίνει ότι κατά τη διάρκεια του φαινομένου, καταστράφηκε η «μονωτική συμπεριφορά» του ατμοσφαιρικού αέρα μεταξύ των δύο σφαιριδίων.





.gif)


.jpg)

.jpg)
.jpg)

.gif)
.gif)
.jpg)
.jpg)
.gif)


.jpg)
.jpg)

.gif)
.jpg)

.jpg)
.gif)
.gif)
.jpg)
.jpg)
.jpg)
.gif)



.gif)
.jpg)
.jpg)
.jpg)
.gif)
.jpg)

.jpg)
.jpg)
.jpg)
.jpg)

.jpg)
.jpg)
.png)
.png)
.png)
.png)
.gif)
.gif)
.gif)
.png)
.png)
.gif)
.gif)
.gif)
.gif)
.gif)
.gif)
.gif)
.gif)
.gif)
.gif)
.gif)
.gif)
.gif)
.jpg)
.jpg)
.jpg)
.jpg)

.jpg)
.jpg)
.jpg)
.jpg)
.jpg)
.jpg)
.jpg)
.jpg)
.jpg)
.jpg)
